EE 351
Homework 1
Due at 11:59pm on Thursday, April 9th. Submit to https://canvas.uw.edu/courses/1883403/assignments/11346093. It is fine to submit scanned or a picture of handwritten answers, but we must be able to read it. Indicate your final answer clearly, show your work. Each problem is 10 points (all subproblems weighted equally).
Problem 1
Let \(A\) and \(B\) denote the complex numbers: \(A = -3 - j2\) and \(B = \sqrt{5}\angle 20^\circ\). Find
(a) The polar representation of \(A\) (angle in degrees)
(b) \(A + B\) in rectangular coordinates
(c) \(A - B\) in polar coordinates
(d) \(AB\) in rectangular cooridnates
(e) The imaginary part of \(\dfrac{A + 2B}{A - B} \times (3A + 2B) - \dfrac{A + B}{2A - B}\)
Problem 2
The waveform of an AC voltage can be expressed as:
\[v(t) = 200\sqrt{2} \cos\left(120\pi t - \frac{\pi}{3}\right) \text{ V}\]Compute the following:
(a) The rms voltage
(b) The average voltage
(c) The frequency of the supply
(d) The phase of the voltage in degrees
Problem 3
A sinusoidal current reaches its maximum value of 50 A every 10 ms.
(a) What is the frequency of this current?
(d) What is its RMS value?
Problem 4
The instantaneous voltage and current of an electric load are given by:
\[v(t) = V_{\max} \sin(\omega t + \alpha) \text{ V}\] \[i(t) = I_{\max} \cos(\omega t - \beta) \text{ A}\]where \(\alpha = 20^\circ\) and \(\beta = 80^\circ\). The instantaneous power is defined as \(p(t)=v(t) i(t)\).
a) Find \(p(t)\).
b) Find the average value of \(p(t)\).
Problem 5
The instantaneous voltage and current of an electric load are given by:
\[v(t) = 110\sqrt{2} \sin\!\left(377t + \frac{\pi}{3}\right)\] \[i(t) = 15\sqrt{2} \sin\!\left(377t - \frac{\pi}{15}\right)\]Compute the following:
(a) The RMS phasor representation of the voltage (polar form, rms magnitude, and phase in degrees)
(b) The RMS phasor representation of the current (polar form, rms magnitude, and phase in degrees)
(c) The phase angle of the current with respect to voltage (in degrees, state leading or lagging)
(d) The load impedance
Problem 6
The impedance of two complex loads is as follows:
\[Z_1 = 5 + j3 \ \Omega \qquad Z_2 = 10 - j5 \ \Omega\](a) What is the impedance of these two loads when connected in series? Give the answer in polar form.
(b) What is the impedance of these two loads when connected in parallel? Give teh answer in rectangular form.
Problem 7
An AC source is feeding a load that consists of a resistance and reactance connected in series. The voltage and current of the source are given by:
\[v(t) = 156 \sin\left(377t + \frac{\pi}{3}\right) \text{ V}\] \[i(t) = 150 \sin(377t) \text{ A}\]Find the voltage across the reactance.
Problem 8
An electric load consists of a \(5\ \Omega\) resistance, a \(10\ \Omega\) inductive reactance, and a \(15\ \Omega\) capacitive reactance connected in series. The total impedance of the load is connected across a 110 V (rms) source. Compute the following:
(a) The source current
(b) The voltage across the capacitor
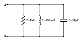
Problem 9
A resistor, an inductor, and a capacitor are connected in parallel, with values \(100\ \text{mH}\), \(10\ \mu\text{F}\), and \(15\ \Omega\) respectively.

(a) Calculate \(Y_{AB}\) if this circuit operates at 50 Hz
(b) Calculate \(Z_{AB}\) if this circuit operates at 60 Hz
Problem 10
Calculate the Thevenin and Norton equivalents of the circuit shown below, with source \(110\angle 0^\circ\) V and impedances \(j5\ \Omega\), \(-j2\ \Omega\), \(2\ \Omega\), \(j4\ \Omega\), \(10\ \Omega\), and \(5\ \Omega\).

Problem 11
The circuit has the following parameters:
\[R_1 = 5\ \Omega \qquad R_2 = 250\ \Omega \qquad R_3 = 50\ \Omega\] \[L_1 = 5\ \text{mH} \qquad L_2 = 50\ \text{mH} \qquad C_3 = 500\ \mu\text{F}\]Given that the source voltage \(v(t) = 630\sqrt{2}\sin(2\pi 60t)\) V:
(a) Compute the source current, \(\bar{I}\)
(b) Compute the current \(\bar{I}_3\) flowing in the branch with \(R_3\) and \(C_3\)
